Introducing WisMesh Board ONE: The New Baseboard for Meshtastic - Community Driven, Purpose Built
The Meshtastic community is the heart of innovation, where creative minds come together to imagine new uses and applications. The WisBlock starter kit retains its key strengths: users can add their own sensors, customize freely, and just need to 3D-print an enclosure to fit the board—more flexible and ready for any application they imagine.
RAKwireless stays committed to the core benefits that define Meshtastic solutions—modularity, expandability, and long battery life. However, listening closely to the community, we've seen an increasing demand for a board that is low-cost, compact, and adaptable, with the flexibility to integrate various sensors. The feedback was clear: users wanted a more versatile and modular solution that allows for easy customization, all while addressing some limitations found in existing options, like Heltec’s T114. Issues like GPS antenna placement, poor stub antenna performance, and inconvenient USB placement were consistently mentioned, and it was time for a fresh take.
Why We Created WisMesh Board ONE
Our commitment to the Meshtastic community inspired us to create WisMesh Board ONE—a new, compact baseboard tailored for Meshtastic users who need flexibility, expandability, and affordability. WisMesh Board ONE is designed as a “one-stop” device, fully ready for use but offering ample expansion capabilities. Meshtastic users can now easily add any sensor, simply 3D-print an enclosure, and start building their projects. WisMesh Board ONE allows the community to innovate freely.
WisMesh Board ONE retains all the essentials that make the WisBlock series of modular boards unique: modularity, expandability, and long battery life. We’ve gone further by making it smaller and integrating new features that Meshtastic users have asked for, like a more thoughtful layout for GPS, antenna placements, as well as a better USB connector. (See comparison table below).
Key Features of WisMesh Board ONE
We built WisMesh Board ONE with the following in mind:
- Meshtastic Compatibility: Designed specifically for Meshtastic, offering a more compact footprint with all the functionality the community needs.
- Powerful Core with RAK4630: The WisDuo module comes pre-flashed with Meshtastic firmware , built on Nordic’s nRF52840 and Semtech’s SX1262 for long-range, low-power LoRa communication.
- Modular and Expandable: With a WisBlock Sensor Slot, users can add modules like the RAK12500 GNSS or other WisBlock sensors.
- User-Centric Design:
- A user button for easy interactions.
- A 1.3” OLED display (pre-mounted or optionally connected via a pin header).
- All GPIOs, I2C, and SPI are accessible on pin headers.
- Onboard BLE and LoRa antennas, USB Type-C connector, battery connector, and support for solar power integration.
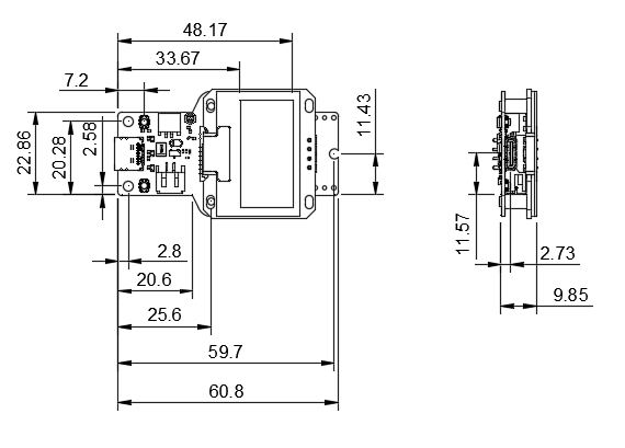
- Compact Size: At just 60.8 x 22.9 x 9.85 mm, WisMesh Board ONE maintains a minimal footprint, allowing easy integration into custom enclosures.
Designed for Easy Enclosures and Essential Performance
WisMesh Board ONE is crafted to deliver the performance that Meshtastic users value most, alongside the flexibility for building custom, rugged enclosures. At its core, it enhances connectivity with a dedicated GPS antenna space that points upward for improved signal reception and an external antenna opening to support longer-range communication.
A standout feature of WisMesh Board ONE is its OLED display. This display is easier to read than traditional TFT screens (see comparison table below), allowing Meshtastic users to view data directly without tilting the device at an angle.
Not only is the OLED more power-efficient, extending battery life, but it’s also natively supported by Meshtastic firmware for seamless integration.
To boost durability for outdoor and rugged applications, we’ve chosen a sturdy connector for the display. Unlike fragile FPC connectors (see comparison table below), this design minimizes accidental disconnection caused by vibration. This connector also adds flexibility for developers, allowing easy access to pin headers or customization of the the setup. The result is a cleaner, more organized internal layout that is robust enough for outdoor use.
Our approach also emphasizes ease for industrial designers. Three mounting holes make secure enclosure attachment straightforward, while side-positioned connectors for battery and solar power save space by reducing height requirements. The WisBlock Sensor Slot allows users to add a GPS module without extra wiring, keeping the layout clean and neatly organized.
We’ve also published a 3D model and mechanical dimensions to help you design custom enclosures, and for added convenience, the Board ONE is available with an optional 3D-printed enclosure. These design elements reflect our goal to simplify the creation of reliable, rugged solutions for the Meshtastic community.

Why WisMesh Board ONE is the Better One
You will find plenty of development boards for Meshtastic on the market, but WisMesh Board ONE stands out as a superior choice, even against competitors with “upgraded” devices.
Here’s why WisMesh Board ONE is the better option for developers and makers.
WisMesh Board ONE is engineered for customizability and flexibility, catering to the specific needs of developers and industrial designers.
WisMesh is the better one because this development board:
- Is easy to integrate and securely attach to enclosures and add modules without messy wiring.
- Has a sturdier and easier-to-read screen than older TFT screens.
- Has a dedicated slot for GPS antenna that improves reception.
- Has a dedicated slot for an external antenna that enhances communication over longer distances.
- Comes with supported 3D models by RAKwireless for developers who want to create custom enclosures.
- Comes with a pre-made 3D-printed enclosure for convenience.
What Makes WisMesh Board ONE Different?
With these features, WisMesh Board ONE excels in customizability, usability, and performance, making it the superior choice for developers. The development board’s modularity allows for easy integration of sensors and custom enclosures, fostering innovation and collaboration among developers. Its design addresses common challenges faced by users while offering unique features that enhance functionality within the Meshtastic ecosystem.
The Story Behind the Name: Board ONE
The name Board ONE draws inspiration from the film Transformers ONE, where themes of unity and collaboration take center stage. The story celebrates strength through teamwork, a concept that resonates deeply with us. Like the characters in the film who join forces for a greater good, Board ONE is shaped by community input and collaboration, embodying a shared effort for a better solution. It’s more than just a board; it’s a symbol of our commitment to creating something meaningful with and for the Meshtastic community.
Board ONE: Together, We Build Better
With WisMesh Board ONE, we’re excited to see the Meshtastic community take this new platform and push the boundaries of what’s possible. This launch is just the beginning—together, we’re building a future where technology empowers creativity and collective innovation.
Join the Meshtastic community today. Share your designs and experiences to improve functionality and inspire others. Let’s build better solutions together!






